杰瑞科技汇

  • 电气autocad视频教程

    电气autocad视频教程

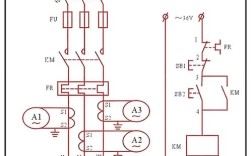
    学习路径建议对于初学者,建议按照以下循序渐进的路径进行学习,这样能打好坚实的基础,避免后期遇到瓶颈,AutoCAD基础入门(约1-2周)这个阶段的目标是掌握AutoCAD的基本操作,无论什么专业,这都是必备技能,界面熟悉:认识功能区、...

    2026-01-18
    28 0 0
  • 1 / 1
  • 1